logo

宽带接收机IC-R8500 升级 IC-R8600成时代必然

行业前瞻 2021.10.27 3991人浏览过

  简介

无线电接收机是人们既熟悉又觉得神奇的设备,因为人们为常见的如多波段收音机随处可见,触手可及,很熟悉,而神奇的是它工作频段很宽,能接收多种工作模式的无线电信号,并且也随着时代,技术发展实现着向数字模式和软件无线电方向发展。

                                                    


日本ICOM 株式会社生产的接收机享誉国内外,为很多计量,检测单位所喜爱。如今的IC-R8600宽带接收机不仅频带更宽,具有传统模拟工作模式的宽带接收功能,还具有多种数字模式信号的接收能力,成为当今计量,检测单位新的选择,取代模拟接收机IC-R8600成为必然。

二  IC-R8600主要特点

IC-R8600是一款具有ICOM SDR技术可覆盖10KHz---3GHz的高性能宽带接收机。4.31英寸触摸屏操作,实时频谱显示,可接收多种数字模式(D-STARP25(Phase1),NXDNdOMRDCR(数字常规电台))数字信号,多种输出,输入参考信号。

                                                   



IC-R85000.1KHz---1.9999Hz内只能接收SSBCWAM,FMWFM模式信号相比,在接收范围和性能上都有很大提升,是现代接收,检测行业和高端爱好者的必选。

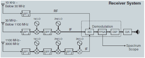
  电路处理特性决定高品质

                                               


                                                

与传统接收机相比,IC-R8600接收机采用了多种技术手段和ICOM特有的SDR技术。上图技术方案可见该机的匠心所在,整体上讲,无论从外观设计,操作方便到内部电路数字处理电路优化以及先进技术SDR应用都为数字模式多标准数字编解码接收提供了前瞻性和品质保证,是真正意义上的新一代数模兼容无线电宽带接收机。

热门资讯