logo

对讲机使用中常用防止干扰的方法

行业前瞻 2021.06.08 4924人浏览过

  简介

对讲机是常见的短距离实现简捷,快速,能一呼百应的主要通讯手段之一,在工业,农业,商业领域有着广泛应用。

常听用户反映,对讲机在使用中经常有受到其他无线通讯设备干扰的情况发生,该如何避免干扰是许多用户关心的问题。实际上对讲机在设计,编程等方面采用了多种防干扰,避开干扰等多种技术方法,为对讲机正常使用保驾护航。


二 采用防干扰的方法

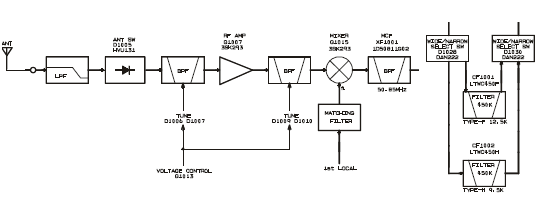
l  前段多重滤波技术抗干扰

    在接收机和发射机射频端采用电调谐的高通和低通滤波器滤除频带外的高低频噪声干扰,并采用中频晶体滤波器和中频宽窄带处理芯片进一步减少干扰,力争从设计原理上避免相关干扰,下图就是某对讲机的接收电路可见多出采用滤波技术。

                               

l  频率选择方法

      对讲机都工作在某一个频段范围内,具体工作频点的选择很有讲究。应该首先根据自己的使用环境选择VHF(山区更好点)或UHF(城市等)频段的对讲机,根据当地无委会分配的频率使用对讲机,这样当有同频或附近频率干扰你正常使用时,可以依法关停其它非法使用的同频或附近频率,保证你的正常使用。对临时短距离通讯应用,也可检测并了解当地频率情况,选择相对干净的频率进行通讯。只有这样才合理合法,从源头上减少干扰发生。

l  电脑合理编程相关参数,减少干扰

       对讲机都配有编程软件以设定相关参数,可以设定在选定合适频率点的基础上,设定信道为窄带(N)以减少信道带内干扰;设定不同亚音减少同频干扰;设定合适静噪等级减少噪声干扰等,如下是IC-F26对讲机编程设置例。

                                     

l  查询干扰源,避开相关干扰

      干扰的产生随周围环境变化而不同,如突然增加的大功率基站,增加的电器设备和大型制造设备干扰等,在使用中要根据情况尽量避开干扰源和采取相关措施,这些都是使用好对讲机的必要条件。


热门资讯